| Version 10 (modified by , 10 months ago) ( diff ) |
|---|
Актуелна верзија
Податочни побарувања
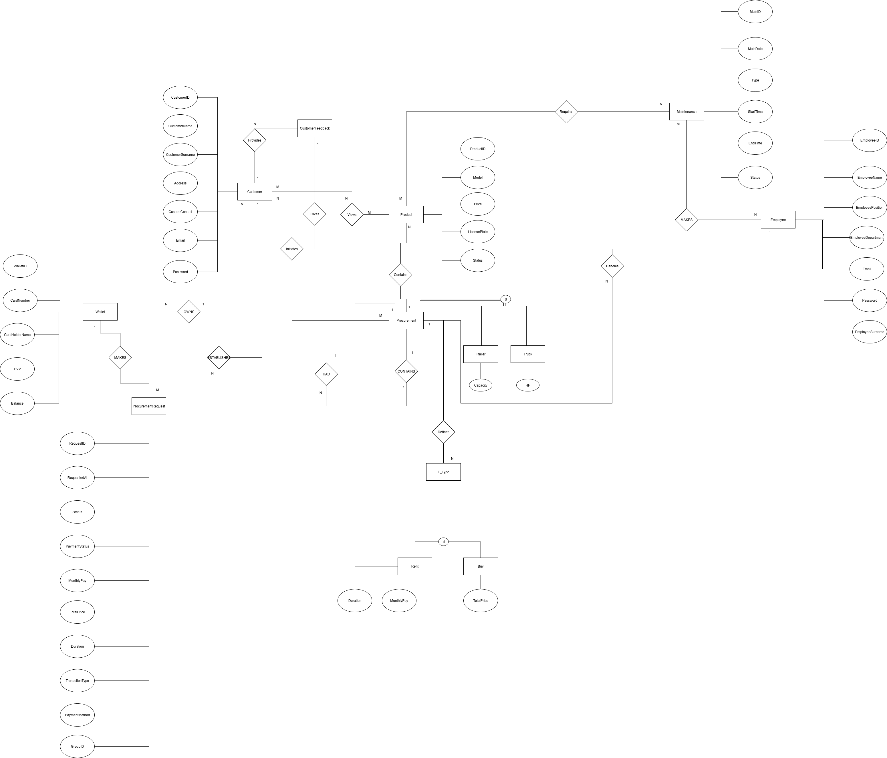
Ентитети
1) Customer (Клиент) Атрибути:
- CustomerID
- CustomerName
- CustomerSurName
- Address
- CustomerContact
- Password
Клиентите можат да гледаат производи и да вршат набавки, како и да даваат повратни информации.
2) Employee (Вработен)
Атрибути:
- EmployeeID
- EmployeeName
- EmployeeSurName
- Position
- Department
- Password
Одговорни за трансакции и одржување на производи.
3) Product (Производ)
Атрибути:
- ProductID
- Model
- Price
- LicensePlate
- Status
Производите се објекти кои се продаваат или изнајмуваат, одржуваат и прегледуваат од страна на клиентите.
4) Customer Feedback (Повратна информација од клиент)
Атрибути:
- FeedbackID
- CustomerID
- ProductID
- Rating
- Comment
- FeedbackDate
- TransactionID
Претставува оценка и коментар даден од клиент за одреден производ.
5) Maintenance (Одржување)
Атрибути:
Се води евиденција за сервисирање на производите.
6)Procurement (Набавка)
Атрибути:
- RequestID
- CustomerID
- ProductID
- Quantity
- RequestedAt
- Status
- PaymentMethod
- PaymentStatus
- MonthlyPay
- TotalPrice
- Duration
- CardID
- TransactionType
- GroupID
Претставува набавка на производ, која може да биде изнајмување или купување.
7) T_Type (Тип на трансакција)
- TransactionID
- Type (Rent/Buy)
- Duration
- MonthlyPay
- TotalPrice
8) Truck (Камион)
- ProductID
- HP
9) Trailer (Приколка)
- ProductID
- Capacity
10) Procurement_request (Барање за набавка)
- RequestID
- CustomerID
- ProductID
- Quantity
- RequestedAt
- Status
- PaymentMethod
- PaymentStatus
- MonthlyPay
- TotalPrice
- Duration
- CardID
- TransactionType
- GroupID
11) Views (Прегледи)
- CustomerID
- ProductID
12) Wallet (Паричник)
- WalletID
- CustomerID
- Balance
- CardNumber
- ExpiryDate
- CVV
- CardHolderName
Ги дефинира условите според типот на набавката.
Релации:
1) Views (Customer : Product) (N:M) Клиентите можат да прегледуваат повеќе производи, а секој производ може да биде прегледан од повеќе клиенти.
2) Initiates (Customer : Procurement) (1:N) Секој клиент може да иницира повеќе набавки, но секоја набавка припаѓа на еден клиент.
3)Provides (Customer : CustomerFeedback) (1:N) Клиентот може да даде повеќе повратни информации, но секоја повратна информација се однесува на еден клиент.
4) Performs (Employee : Maintenance) (1:N) Секој вработен може да изврши повеќе одржувања, но секое одржување е извршено од еден вработен.
5) Handles (Employee : Procurement) (1:N) Вработениот може да раководи со повеќе набавки, но секоја набавка е обработена од еден вработен.
6) Requires (Product : Maintenance) (1:N) Секој производ може да има повеќе одржувања, но секое одржување се однесува на еден производ.
7) Contains (Procurement : Product) (N:1) Набавката може да вклучува само еден производ, но истиот производ може да биде дел од повеќе набавки.
8) Defines (T_Type : Procurement) (1:1) Секоја набавка има точно еден тип (куп/изнајмување) дефиниран во t_type.
9) Specializes (Product : Truck/Trailer) (1:1) Производот може да биде или камион (Truck) или приколка (Trailer), но не и двете.
10) Links (CustomerFeedback : Procurement) (N:1) Повратната информација може да се однесува на една набавка, но набавката може да има повеќе повратни информации.
11)Owns (Customer : Wallet) (1:N) Клиентот може да има повеќе паричници, но секој паричник припаѓа на еден клиент.
Attachments (11)
- bazi_v3.drawio.png (252.9 KB ) - added by 11 months ago.
- bazi_v4.drawio.png (230.5 KB ) - added by 11 months ago.
- bazi_final_er.jpg (209.8 KB ) - added by 10 months ago.
- bazi_final_er (1).jpg (220.2 KB ) - added by 10 months ago.
- final_er.jpg (220.2 KB ) - added by 10 months ago.
- ER-final.jpg (234.9 KB ) - added by 10 months ago.
-
FINAL.drawio (1).png
(55.2 KB
) - added by 6 months ago.
FINAL
- FINALЛЛ.drawio (1).png (55.7 KB ) - added by 6 months ago.
-
FINALLL.drawio (1).png
(57.5 KB
) - added by 6 months ago.
FINALLL
- FINALLLL.drawio (1).png (57.4 KB ) - added by 6 months ago.
-
FINALLLLLLLL.drawio (1).png
(56.9 KB
) - added by 6 months ago.
Final final
Download all attachments as: .zip

